|
|
首頁-真空機組型號-RPP型水噴射真空機組RPP型水噴射真空機組
RPP系列水噴射真空泵、汽水串聯噴射泵立式成套機組
一、RPP型水噴射真空機組立式特點及應用范圍:
系列水噴射真空泵廣泛應用于化工、制藥、紡織、食品、釀造、冶金、環保等行業.主要應用真空吸收、真空結晶、真空濃縮、真空干燥、真空輸送、真空除氧、真空增氧等工藝。
該泵可腐蝕性氣體溫度在150℃內,可與蒸汽噴射泵串聯使用,真空度更高,并可取代SZ型水環式真空泵和W型往復式真空泵.該泵由于采用增強聚丙烯塑料一次注塑成型.具有機械強度高,耐腐蝕性能強,表面光潔、重量輕、體積小,在目前同類型產品中,使用壽命最長、排氣量最大、真空度高、經濟效率好、價格便宜(最好使用本廠配套生產的節能耐腐離心泵、止回閥、彎管),并可提供成套裝置,深受廣大用戶歡迎。
二、RPP型水噴射真空機組立式型號說明:

三、RPP型水噴射真空機組立式成套型號規格及技術參數:
| 型號 |
極限真空度
Mpa |
保證真空度
Mpa |
最大抽氣量
m3/h |
流量
m3/h |
揚程
M |
配套離心泵功率
(KW) |
備注 |
| RPP-25-20 |
0.099 |
0.098 |
20 |
12 |
20 |
40FP-18 (2.2) |
注:
極限真空度是根據當地當時的大氣壓×本技術參數內的保證真空度 |
| RPP-32-40 |
0.099 |
0.098 |
40 |
18 |
22 |
50FP-22 (2.2) |
| RPP-40-60 |
0.0986 |
0.097 |
60 |
20 |
25 |
50FP-25 (4) |
| RPP-54-90 |
0.0986 |
0.097 |
90 |
26 |
28 |
50FP-28 (4) |
| RPP-54-110 |
0.099 |
0.098 |
110 |
45 |
30 |
80FP-30 (4) |
| RPP-54-180 |
0.0993 |
0.098 |
180 |
50 |
30 |
80FP-30 (5.5) |
| |
|
|
|
|
|
|
| RPP-65-280 |
0.0993 |
0.098 |
280 |
50 |
32 |
80FP-32 (7.5) |
| RPP-65-360 |
0.0995 |
0.098 |
360 |
100 |
32 |
100FP-32 (11) |
| RPP-80-500 |
0.0995 |
0.098 |
500 |
100 |
32 |
100FP-32 (15) |
| 蒸氣噴射泵 |
0.1 |
0.0996 |
同上 |
同上 |
同上 |
汽水串聯可與180,280,360配套
耗氣量40Kg/h 工作氣壓0.3Mpa |

四、RPP型水噴射真空機組立式成套裝置機組示意圖:

| 型號 |
L |
D1×Dg1 |
D2×Dg2 |
D3×Dg3 |
重量
Kg |
| 尺寸 |
孔距-螺孔 |
尺寸 |
孔距-螺孔 |
尺寸 |
孔距-螺孔 |
| RPP-25-20 |
440 |
115×32 |
100-Ф12×4 |
115×32 |
85-Ф12×4 |
135×32 |
85-Ф12×4 |
2.8 |
| RPP-32-40 |
440 |
115×32 |
100-Ф12×4 |
115×32 |
85-Ф12×4 |
135×32 |
85-Ф12×4 |
2.8 |
| RPP-40-60 |
370 |
140×40 |
100-Ф12×4 |
135×40 |
110-Ф12×4 |
135×40 |
110-Ф12×4 |
2.9 |
| RPP-54-90 |
370 |
140×54 |
100-Ф12×4 |
140×54 |
100-Ф12×4 |
140×54 |
100-Ф12×4 |
3 |
| RPP-54-110 |
370 |
140×54 |
110-Ф12×4 |
140×54 |
110-Ф12×4 |
140×54 |
110-Ф12×4 |
3.2 |
| RPP-54-180 |
1150 |
175×80 |
145-Ф12×4 |
140×54 |
110-Ф12×4 |
140×54 |
110-Ф12×4 |
5 |
| RPP-65-280 |
1350 |
195×100 |
160-Ф14×8 |
175×65 |
125-Ф14×4 |
160×65 |
125-Ф14×4 |
7.2 |
| RPP-65-360 |
1350 |
195×100 |
160-Ф14×8 |
175×65 |
125-Ф14×4 |
160×65 |
125-Ф14×4 |
7.2 |
| RPP-80-500 |
1550 |
195×100 |
160-Ф14×8 |
180×80 |
145-Ф14×4 |
180×80 |
145-Ф14×4 |
18 |
| 蒸汽噴射泵 |
1120 |
185×65 |
160-Ф14×4 |
170×50 |
125-Ф14×4 |
活接G3/4" |
45 |
五、RPP型水噴射真空機組立式安裝使用及注意事項:
1、在安裝使用時,離心泵與水噴射真空泵聯接彎管尺寸要根據型號而定.RPP-32(1.2"), RPP-40(1.5") , RPP-54(2"), RPP-65(2.5"),RPP-80(3").
2、法蘭連接之間因墊附件(耐酸橡膠軟墊)需對稱嘴固,用力均勻.螺絲一定要擰緊,不得漏氣.
3.泵體下端必須接一下水尾管,其長度不得少于1m,其直徑:20-40, 60型1.5", 90-110型2",180-220型3", 280-360型4". 500型5",尾管與泵體的同心度一定要保持垂直.以保證其效率.
4、如離心泵增大流員,極限真空度和排氣量.均相應提高,最好配用本廠生產的FP系列耐腐離心泵、止回閥最佳.
5.要定期更換循環水,由于電壓不穩防止倒水,請裝上止回閥.
6.循環水池內進出水之間,一定要安裝檔板(按示意圖).以防空氣進入泵體.造成空轉燒壞機封和泵.也影響抽氣速率及真空度.
RPP系列水噴射真空泵、汽水串聯噴射泵臥式成套機組
一、RPP型水噴射真空機組臥式特點及應用范圍:
全塑立臥式成套真空機組.由耐腐泵、噴射泵、緩沖罐、水池、止回閥、球閥、管件等部件組成.均采用增強聚丙烯材質.其特點:可移動,安裝方便.耐腐、無毒、真空度高、排氣量大、結構合理、運行可靠。可抽腐蝕性氣休.與蒸汽噴射泵串聯使用,真空度更高,RPP型水噴射真空機組廣泛應用于化工、制藥、紡織、食品、釀造、冶金、環保、實驗室等行業中的真空吸收、真空過濾、真空濃縮、賓空干燥、真空結晶、真空輸送、真空除氧真空增氧等工藝過程。
二、RPP型水噴射真空機組臥式型號說明:

三、RPP型水噴射真空機組臥式成套型號規格及技術參數:
| 型號 |
極限真空度
Mpa |
保證真空度
Mpa |
最大抽氣量
M3/h |
配套離心泵功率
(KW) |
臥式成套機組外形尺寸(見示意圖) |
備注 |
| L |
L-a |
L1 |
H |
H1 |
H2 |
| RPP-25-20 |
0.099 |
0.098 |
20 |
40FP(D)-18(1.5) |
1100 |
/ |
600 |
900 |
790 |
/ |
注:極限真空度是根據當地當時大氣壓×本技術參數內的保證真空度 |
| RPP-32-40 |
0.099 |
0.098 |
40 |
50FP(D)-22(2.2) |
1100 |
/ |
600 |
900 |
800 |
/ |
| RPP-40-60 |
0.0986 |
0.097 |
60 |
50FP(D)-25(3) |
1550 |
/ |
900 |
1150 |
1220 |
/ |
| RPP-54-90 |
0.0986 |
0.097 |
90 |
50FP(D)-28(4) |
1750 |
/ |
1000 |
1200 |
1250 |
/ |
| RPP-54-110 |
0.099 |
0.098 |
110 |
80FP(D)-30(4) |
1750 |
/ |
1000 |
1200 |
1280 |
/ |
| RPP-54-180 |
0.0993 |
0.098 |
180 |
80FP(D)-30(5.5) |
1850 |
1950 |
1000 |
1300 |
1280 |
2450 |
| |
|
|
|
|
|
|
|
|
|
|
| RPP-65-280 |
0.0993 |
0.098 |
280 |
80FP(D)-32(7.5) |
1950 |
2000 |
1000 |
1360 |
1300 |
2480 |
| RPP-65-360 |
0.0995 |
0.098 |
360 |
100FP(D)-32(15) |
2450 |
2200 |
1200 |
1360 |
1300 |
2480 |
| RPP-80-500 |
0.0995 |
0.098 |
500 |
100FP(D)-32(15) |
2500 |
2500 |
1200 |
1450 |
1350 |
2530 |
| 蒸汽噴射泵 |
0.1 |
0.0996 |
同上 |
注:汽水串聯可與180、280、360配套 耗氣量40Kg/h 工作壓力0.3Mpa |

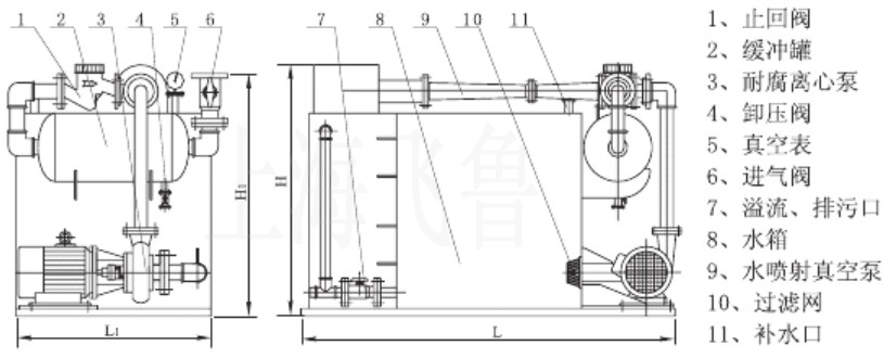
四、RPP型水噴射真空機組臥式成套汽水串聯機組示意圖:

五、RPP型水噴射真空機組臥式水噴射真空成套機組示意圖:

六、RPP型水噴射真空機組臥式安裝使用及注意事項:
1、在安裝便用前.必須仔細檢查各部位緊固件是否有松動,若有松動必須校正擰緊.否則影響抽氣量和真空度。
2、開機前水池必須加滿水.打開泵進口閥,嚴禁脫水空轉及反轉,以防止損壞機封和泵。
3、停機前先放空或真空度降至0.092Mpa以下,然后停機以防真空度過高.倒吸易損壞止回閥,(如止回閥失靈.請打開止回閥蓋.清除雜物)。
4、汽水串聯噴射泵.先開機然后再開蒸汽,停機時先關蒸汽,然后再停機以防損壞水噴射泵。在安裝蒸汽管路時,保證管路內不能積水,一定要保持水平,否則將影響直空度。
5、水池循環水溫過高,會影響排氣最和真空度,需及時更換或補充水。
6、對于特制的全封閉機組,必須設有排放空口,否則在使用中會使水箱受壓導致變形甚至破裂。
附件:增強聚丙烯耐腐蝕性能表(代號:√良好 =可用 ≠有腐蝕 ×不可用)
| 介質 |
濃度% |
溫度℃
25 50 60 80 100 |
介質 |
濃度% |
溫度℃
25 50 60 80 100 |
介質 |
濃度% |
溫度℃
25 50 60 80 100 |
| 硫酸 |
<10 |
√√√√ |
軟脂酸 |
|
√√= = = |
各類鉀鹽 |
|
√√√√ |
|
<30 |
√√√= |
硬脂酸 |
|
√√= ≠ |
碘化鉀 |
|
√√ |
|
30-60 |
√√= ≠ |
亞油酸 |
|
√√√ |
高錳酸鉀 |
|
√= |
| 發煙硫酸 |
|
× |
乙醇酸 |
|
√√√ |
硫酸氫鉀 |
|
√√ |
| 硝酸 |
<10 |
√√√√ |
雙乙醇酸 |
|
√√√√ |
過硼酸鉀 |
|
√√ |
|
|
√√√ |
三氯醋酸 |
|
√√√× |
鋁,鎂,鈣鹽 |
|
√√√√ |
|
30 |
√=× |
乳酸丙醇酸 |
20 |
√√√√√ |
鐵,鎳,鋅鹽 |
|
√√√√ |
| 鹽酸 |
<36 |
= =× |
|
80-100 |
√√√√ |
錫,鋁,酮鹽 |
|
√√√√ |
|
>36 |
√√√= |
草酸(乙二酸) |
|
√= = # |
鋇,汞,錳鹽 |
|
√√√√ |
| 磷酸 |
<50 |
√√√= |
琥珀酸(丁二酸) |
|
√√√ |
銀,銻,鈦鹽 |
|
√√√ |
|
85-95 |
√√= |
馬來酸順丁烯酸 |
|
√= = = = |
硫酸雙氧軸 |
|
√√√ |
| 氫氧酸 |
稀 |
√√√√ |
酒石酸 |
|
√√√ |
雙氧水 |
<10 |
√√× |
|
35-70 |
√√√ |
檸檬酸 |
|
√√ |
|
30 |
√=× |
| 溴氫酸 |
<20 |
√√√√ |
甲苯酸 |
|
√√√ |
氨水 |
|
√√√ |
| 氫碘酸 |
48 |
√√√ |
水楊酸 |
|
√√ |
甲醇 |
|
√= = = |
| 氫氰酸 |
|
√√√ |
石炭酸(苯粉) |
|
√√√ |
乙醇 |
|
√= = = |
| 亞硫酸 |
|
√√√ |
培酸 |
|
√√√ |
丙醇 |
|
√= = = |
| 亞硝酸 |
10 |
√= |
單寧酸 |
|
√√√√ |
異丙醇2 |
|
√= = = |
| 碳酸 |
|
√√√√ |
氨基磺酸 |
20 |
√√√√ |
乙二醇 |
|
√= = = |
| 鉻酸 |
10-40 |
√√√ |
|
濃 |
√√√ |
丁二醇 |
|
√√√ |
|
50 |
√==≠ |
煙酸 |
|
√== |
甘油(丙二醇) |
|
√√√ |
| 硼酸 |
|
√√√√ |
苦味酸 |
|
√√= |
二甘醇 |
|
√√ |
| 砷酸 |
|
√√√ |
氫氧化鈉 |
燒堿 |
√√√√√ |
甲醛 |
50 |
√√=≠ |
| 硅酸 |
|
√√√ |
碳酸鈉 |
純堿 |
√√√√√ |
乙醛 |
<100 |
√= |
| 硒 |
|
√√= |
氫氧化鉀 |
|
√√√√√ |
巴豆醛西稀醛 |
|
==× |
| 氯酸 |
20 |
√√× |
氫氧化銨 |
|
√√√√√ |
丙酮 |
|
≠× |
| 氟硼酸 |
|
√√√√ |
氫氧化鈣 |
|
√√√√√ |
醋酸甲酯 |
|
√== |
| 次氯酸 |
|
√√√√ |
氫氧化鎂 |
|
√√√√√ |
甲基丙烯酸 |
|
√√√ |
| 氟硅酸 |
|
√√√= |
氫氧化鋇 |
|
√√√√√ |
液體石臘 |
|
√√√√ |
| 甲酸 |
100 |
√√√= |
各種銨鹽 |
|
√√√√√ |
乙基溴 |
|
√√√ |
| 乙酸 |
10-80 |
√√√= |
氟化安 |
25 |
√==== |
丁基溴 |
|
√√√ |
|
冰 |
==× |
各種鈉鹽 |
|
|
乙醇胺 |
|
√√√ |
| 丙酸 |
|
√= |
錄酸鈉 |
飽和 |
√√ |
二甲苯胺 |
|
√√√ |
| 丁烯酸 |
|
√√√ |
亞氯酸鈉 |
|
× |
脲(尿素) |
|
√√√ |
| 丁酸 |
|
√√√√ |
次氯酸鈉 |
<6 |
√√=≠ |
尿 |
|
√√√ |
| 月桂酸 |
|
√√√√ |
|
|
√=× |
硫酸可待因 |
|
√√√ |
| (十二烷酸) |
|
|
|
|
|
|
|
|
| 脂肪酸 |
|
√==≠ |
|
|
|
|
|
|
| 偏磷鈉酸 |
|
√==≠ |
|
|
|
|
|
|
相關產品推薦:
羅茨水環真空機組 羅茨往復真空機組 羅茨水噴射真空機組 干式真空機組
ZJY型羅茨真空泵 |